août 2021
août 2021
Abo

Fenêtres rondes et effets drapés

Éléments de construction transparents

À Zurich-Altstetten, la construction du nouveau hall de hockey sur glace des ZSC Lions est en cours. Il doit devenir un élément architectonique dominant dans un environnement peu structuré. Les façades nord et sud sont caractérisées par des fenêtres rondes de deux mètres qui affleurent la structure en béton. Grâce à des qualités de verre de Saint-Gobain Glass et Caleoglas harmonisées précisément, ces fenêtres répondent aux différentes exigences sur les façades nord et sud.


Connexion

Merci de l’intérêt que vous portez à nos contenus. Les abonnés de la revue spécialisée metall trouveront le Login pour l’accès intégral dans les informations légales de la version imprimée actuelle. Le mot de passe change tous les mois.


Inscrivez-vous maintenant pour lire cet article. Inscrivez-vous pour lire les différents articles et payez très facilement par carte de crédit. (CHF 5.- par article)
En tant qu’utilisateur enregistré, vous pouvez accéder à tout moment à l’article acheté.

Si - en tant que professionnel dans les domaines de la construction métallique, en acier et de façades - vous n’êtes pas encore abonné à la revue spécialisée metall, ne perdez plus une seconde et souscrivez dès à présent votre abonnement ici.

La terrasse sur le toit est le lieu idéal pour des analyses de jeu et des chants de joie. Les fenêtres rondes structurent la grande façade et créent le lien avec l’intérieur du hall.Photo : Caruso St John Architects
La terrasse sur le toit est le lieu idéal pour des analyses de jeu et des chants de joie. Les fenêtres rondes structurent la grande façade et créent le lien avec l’intérieur du hall.
Photo : Caruso St John Architects

Éléments de construction transparents

Fenêtres rondes et effets drapés

À Zurich-Altstetten, la construction du nouveau hall de hockey sur glace des ZSC Lions est en cours. Il doit devenir un élément architectonique dominant dans un environnement peu structuré. Les façades nord et sud sont caractérisées par des fenêtres rondes de deux mètres qui affleurent la structure en béton. Grâce à des qualités de verre de Saint-Gobain Glass et Caleoglas harmonisées précisément, ces fenêtres répondent aux différentes exigences sur les façades nord et sud.

Texte : Saint-Gobain / Photos : Caruso St John Architects et Surber-Metallbau AG

Il est plutôt rare que les fans de sports d’hiver attendent fiévreusement l’été. Pourtant, les supporters du club de hockey sur glace ZSC Lions sont impatients d’être au 17 août 2022, date à laquelle leur club devrait pouvoir jouer pour la première fois dans sa nouvelle enceinte à Zurich-Altstetten.
Prévue pour 12 000 spectateurs, l’enceinte sportive et événementielle polyvalente imaginée par Caruso St John Architects est actuellement encore un vaste chantier. Le bureau d’architecture de Londres et Zurich a conçu un édifice monumental capable de s’affirmer avec force dans l’espace urbain peu structuré situé entre la voie ferrée et l’autoroute. Parallèlement, des ondulations et des plis sur les façades en béton confèrent une certaine légèreté qui rompt l’aspect massif du bâtiment.
Tandis que les façades est et ouest sans fenêtres affichent des vagues concaves régulières, les côtés nord et sud présentent un profil filigrané en béton coulé sur place qui leur confère un drapé qui, tel un rideau replié, s’entrouvre autour des imposantes fenêtres circulaires.

La forme cubique imposante de la Swiss Life Arena de Zurich-Altstetten marque de son empreinte l’espace urbain peu aménagé entre la voie ferrée et l’autoroute.Photo : Caruso St John Architects
La forme cubique imposante de la Swiss Life Arena de Zurich-Altstetten marque de son empreinte l’espace urbain peu aménagé entre la voie ferrée et l’autoroute.
Photo : Caruso St John Architects

Structure de verre optimisée à chaque point cardinal

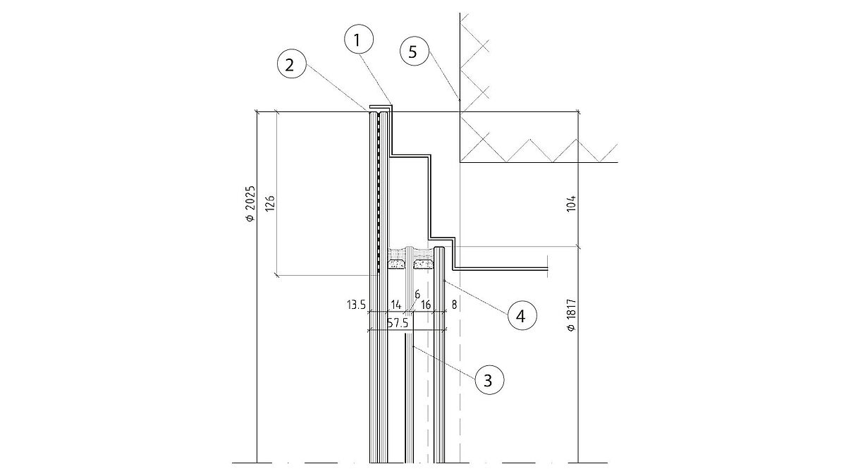
Les 315 ouvertures rondes sont toutes de même taille et présentent globalement la même structure : il s’agit d’un triple vitrage isolant avec un verre feuilleté de sécurité (VFS composé de 2 VPP) de 2025 mm de diamètre ainsi que de deux verres de sécurité trempés (VST). Les deux vitres situées en position centrale et intérieure ont un diamètre de seulement 1817 mm. Cela décale la structure pour positionner très élégamment la fenêtre côté extérieur et lui permettre d’affleurer les vagues en béton de la façade. Le pourtour de la vitre extérieure en saillie est sérigraphié en noir profond, ce qui masque le vitrage composite.  

Côté sud, d’imposantes volées d’escaliers et une terrasse publique adjacente accueillent les spectateurs.Photo : Caruso St John Architects
Côté sud, d’imposantes volées d’escaliers et une terrasse publique adjacente accueillent les spectateurs.
Photo : Caruso St John Architects

Le vitrage satisfait aux exigences élevées en termes de physique du bâtiment grâce à des qualités de verre de Saint-Gobain Glass harmonisées précisément. Le Planidur utilisé pour l’extérieur du VFS est un verre normé, partiellement précontraint thermiquement et particulièrement résistant aux contraintes mécaniques et thermiques, au comportement à la rupture semblable à celui d’un verre float.
Le Planiclear situé sur les positions intérieures est un verre float particulièrement perméable à la lumière à la neutralité de teinte prononcée. Associée à deux revêtements de protection thermique, la structure atteint une valeur Ug de 0,628 W/m²K sur la façade nord ainsi qu’une transmission lumineuse élevée de 70,2 %.
Sur la façade sud, la structure a été modifiée sous l’aspect de la protection thermique et le verre de protection solaire hautement sélectif Cool-Lite xtreme 60/28 y a été intégré. Les fenêtres côté sud atteignent également une protection thermique remarquable, mais elles se distinguent surtout par une faible perméabilité énergétique globale de 0,2423, ce qui évite la surchauffe des espaces intérieurs, même en cas de rayonnement solaire important.
  

 

« Le montage a été imaginé par l’entreprise Surber-Metallbau AG de Dietikon, qui a d’abord collé les verres isolants en atelier avec un profilé adaptateur en aluminium pour créer un élément de type Structural Glazing. »

 

Côtés nord et sud, la structure filigranée en béton coulé sur place confère un drapé qui, tel un rideau replié, s’entrouvre autour des fenêtres circulaires. Photo : Surber-Metallbau AG
Côtés nord et sud, la structure filigranée en béton coulé sur place confère un drapé qui, tel un rideau replié, s’entrouvre autour des fenêtres circulaires. Photo : Surber-Metallbau AG

Caleoglas : traitement du verre par un seul prestataire

« Pour produire les vitrages isolants ronds et composés entièrement de verre précontraint ou partiellement précontraint pour protéger contre les chutes, nous avons recherché un partenaire à la fois expérimenté en précontrainte et à même de réaliser toute la chaîne de processus au même endroit », explique Martin Horvath de Verroplan, responsable de la planification spécialisée des fenêtres rondes. Son choix s’est porté sur l’entreprise Caleoglas de Potsdam, qui a pris en charge tous les travaux, de la découpe du verre brut revêtu jusqu’à la précontrainte, le laminage et le collage, en passant par le traitement des arêtes et la sérigraphie.

Pour un rendu visuel optimal, les fenêtres rondes affleurent la « crête des vagues » de la structure en béton. Le vitrage est donc en saillie par rapport au « creux de la vague ». La sérigraphie noire au niveau du bord recouvre le vitrage composite.Photo : Surber-Metallbau AG
Pour un rendu visuel optimal, les fenêtres rondes affleurent la « crête des vagues » de la structure en béton. Le vitrage est donc en saillie par rapport au « creux de la vague ». La sérigraphie noire au niveau du bord recouvre le vitrage composite.
Photo : Surber-Metallbau AG

Le montage a été imaginé par l’entreprise Surber-Metallbau AG de Dietikon, qui a d’abord collé les verres isolants en atelier avec un profilé adaptateur en aluminium pour créer un élément de type Structural Glazing. Sur le chantier, les fenêtres rondes ainsi préparées sont insérées par l’extérieur et vissées au béton de la façade à l’aide d’un autre adaptateur de montage. Cette étape se déroule en continu et suit la progression de la construction de la façade en béton. Son achèvement est prévu à l’automne 2021. Une année supplémentaire sera ensuite nécessaire pour les aménagements intérieurs. Plus rien ne s’opposera alors au premier bully tant attendu des ZSC Lions en août 2022.  

Avant le montage, les verres isolants ont été collés en atelier avec le profilé adaptateur en aluminium pour créer un élément de type Structural Glazing. Photo : Surber-Metallbau AG
Avant le montage, les verres isolants ont été collés en atelier avec le profilé adaptateur en aluminium pour créer un élément de type Structural Glazing. Photo : Surber-Metallbau AG

 

 

Coupe verticale des bords de vitres :  1 Tracé de l’huisserie métallique à séparation thermique   2 VFS 6.6.4 en VPP avec bord noir sérigraphié 126 mm  3 VST 6 mm   4 VST 8 mm   5 Béton
Coupe verticale des bords de vitres :
1 Tracé de l’huisserie métallique à séparation thermique 
2 VFS 6.6.4 en VPP avec bord noir sérigraphié 126 mm
3 VST 6 mm 
4 VST 8 mm 
5 Béton

 

Les spectateurs prendront place juste au bord du terrain, ce qui fera de la Swiss Life Arena un véritable chaudron pendant les matchs de hockey sur glace.Photo : Caruso St John Architects
Les spectateurs prendront place juste au bord du terrain, ce qui fera de la Swiss Life Arena un véritable chaudron pendant les matchs de hockey sur glace.
Photo : Caruso St John Architects

Données techniques

Les structures vitrées en détail
Fenêtres rondes en triple vitrage isolant avec décalage et bord sérigraphié, 2 revêtements de protection thermique sur chacune des positions 4 et 7, diamètre extérieur du VFS 2025 mm, diamètre moyen et intérieur du VST 1817 mm, épaisseur du vitrage de 55,5 mm, Rw = 42 dB

Structure du vitrage côté nord :
• VFS 6.6.4 en Planidur 6 mm (avec sérigraphie) et Planiclear XN II 6 mm
• Planiclear 6 mm (VST + Heat Soak)
• Planiclear XN II 8 mm (VST + Heat Soak)
Ug = 0,596 W/m²K
Perméabilité énergétique globale (valeur g) 0,4695
Transmission lumineuse 70,2 %

Structure du vitrage côté sud
• VFS 6.6.4 en SGG Planidur 6 mm (avec sérigraphie) et Cool-Lite xtreme 60/28 II 6 mm
• Planiclear 6 mm (VST + Heat Soak)
• Planiclear XN II 8 mm (VST + Heat Soak)
Ug = 0,575 W/m²K
Perméabilité énergétique globale (valeur g) 0,2456
Transmission lumineuse 52,7 %

Panneau de chantier

Projet :

Nouvelle construction de la Swiss Life Arena, Zurich

Maître d’ouvrage :

ZSC Lions Arena Immobilien SA, Zurich

Architectes :

Caruso St John Architects, Londres et Zurich

Planification spécialisée des fenêtres rondes :

Verroplan, bureau d’ingénierie et de conseils pour applications vitrées, Kürnbach

Traitement du verre :

Caleoglas Ost GmbH, filiale de Potsdam

Construction de façades / f enêtres :

Surber-Metallbau AG, Dietikon
(développement de la construction finale, planification de l’exécution, fabrication et collage SSG des cadres adaptateurs, montage)

Achèvement prévu :

août 2022