August 2021
August 2021
Abo

Rundfenster im Faltenwurf

Transparente Bauteile

In Zürich-Altstetten laufen die Bauarbeiten für die neue Eishockeyhalle der ZSC Lions, die eine architektonische Dominante im wenig strukturierten Umfeld bilden wird. Prägend für den Anblick der Nord- und Südfassaden sind zwei Meter grosse, bündig in die Betonstruktur eingebaute Rundfenster. Dank genau abgestimmter Glasqualitäten von Saint-Gobain Glass und Caleoglas werden diese Fenster den unterschiedlichen Ansprüchen auf der Nord- und der Südfassade gerecht.


Login

Danke für Ihr Interesse an unseren Inhalten. Abonnenten der Fachzeitschrift metall finden das Login für den Vollzugriff im Impressum der aktuellen Printausgabe. Das Passwort ändert monatlich.


Jetzt registrieren und lesen. Registrieren Sie sich um einzelne Artikel zu lesen und einfach per Kreditkarte zu bezahlen. (CHF 5,- pro Artikel)
Als registrierter Benutzer haben Sie jederzeit Zugriff auf Ihre gekauften Artikel.

Sollten Sie als interessierte Fachkraft im Metall-, Stahl- und Fassadenbau die Fachzeitschrift metall tatsächlich noch nicht abonniert haben, verlieren Sie keine Zeit und bestellen Sie Ihr persönliches Abonnement gleich hier.

Die Dachterrasse ist der ideale Ort für Spielanalysen und Jubelgesänge. Die Rundfenster strukturieren die grosse Fassade und vermitteln den Bezug zum Halleninneren.Bild: Caruso St John Architects
Die Dachterrasse ist der ideale Ort für Spielanalysen und Jubelgesänge. Die Rundfenster strukturieren die grosse Fassade und vermitteln den Bezug zum Halleninneren.
Bild: Caruso St John Architects

Transparente Bauteile

Rundfenster im Faltenwurf

In Zürich-Altstetten laufen die Bauarbeiten für die neue Eishockeyhalle der ZSC Lions, die eine architektonische Dominante im wenig strukturierten Umfeld bilden wird. Prägend für den Anblick der Nord- und Südfassaden sind zwei Meter grosse, bündig in die Betonstruktur eingebaute Rundfenster. Dank genau abgestimmter Glasqualitäten von Saint-Gobain Glass und Caleoglas werden diese Fenster den unterschiedlichen Ansprüchen auf der Nord- und der Südfassade gerecht.

Text: Saint-Gobain / Bilder: Caruso St John Architects und Surber Metallbau AG

Es ist eher ungewöhnlich, wenn Wintersportfans dem Sommer entgegenfiebern. Doch für die Anhänger des Schweizer Eishockeyclubs ZSC Lions ist der 17. August 2022 ein lang ersehnter Termin, weil ihr Verein dann erstmals in seiner neuen Spielstätte in Zürich-Altstetten spielen soll.
Derzeit ist die von Caruso St John Architects für bis zu 12 000 Zuschauer geplante multifunktionale Sport- und Eventarena noch eine grosse Baustelle. Das Architekturbüro mit Sitz in London und Zürich entwarf einen monumentalen Baukörper, der sich im wenig strukturierten Stadtraum zwischen Eisen- und Autobahn kraftvoll behaupten kann. Gleichzeitig wird die Massivität des Gebäudes fast schon spielerisch durch Wellen- und Faltenmuster in den Betonfassaden gebrochen.
Während die fensterlosen Ost- und Westfassaden als regelmässige konkave Wellen ausgebildet sind, erweckt auf der Nord- und Südseite ein filigranes Ortbetonprofil den Eindruck eines textilen Faltenwurfs, der sich wie ein zurückgeschobener Vorhang um markante kreisförmige Fenster legt.

Die markante Kubatur der Swiss Life Arena in Zürich-Altstetten setzt einen unübersehbaren Akzent im wenig gestalteten Stadtraum zwischen Eisen- und Autobahn.Bild: Caruso St John Architects
Die markante Kubatur der Swiss Life Arena in Zürich-Altstetten setzt einen unübersehbaren Akzent im wenig gestalteten Stadtraum zwischen Eisen- und Autobahn.
Bild: Caruso St John Architects

Für die jeweilige Himmelsrichtung optimierter Glasaufbau

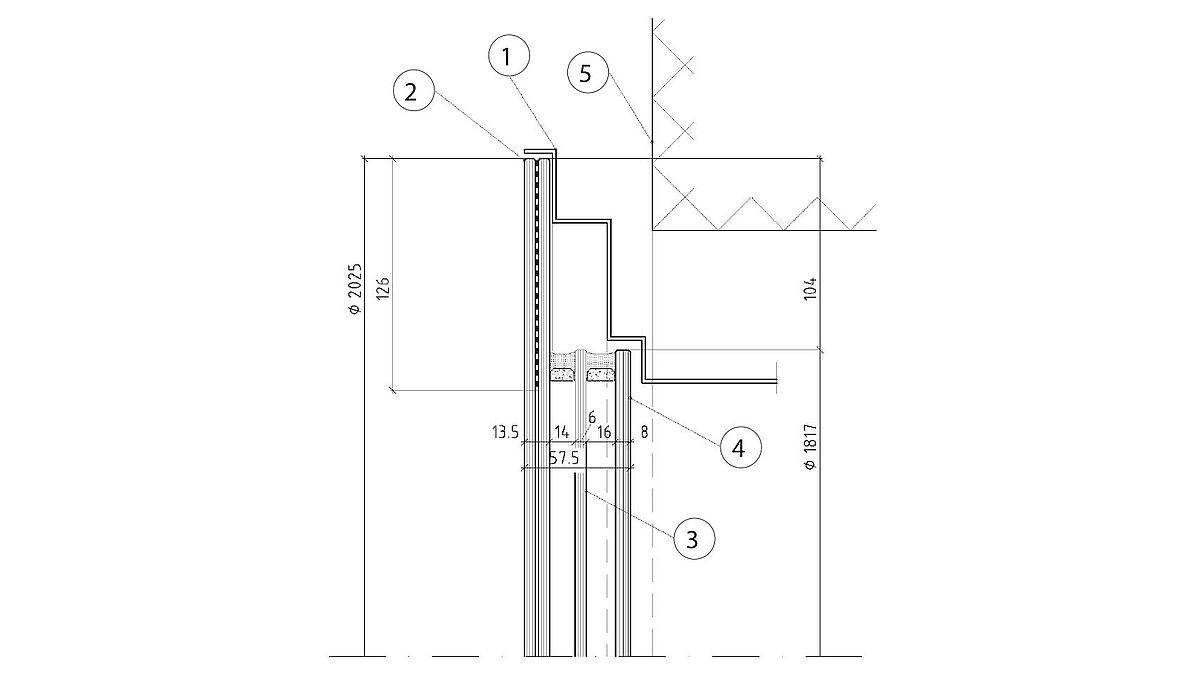
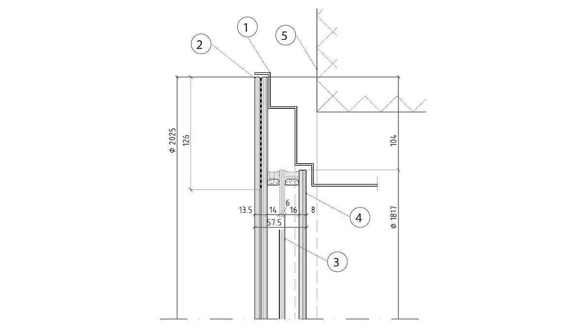
Die insgesamt 315 runden Tageslichtöffnungen sind alle gleich gross und im Grundsatz auch gleich aufgebaut: Es handelt sich um Dreifach-Isoliergläser mit einem äusseren Verbundsicherheitsglas (VSG aus 2x TVG) von 2025 mm Durchmesser sowie zwei Einscheibensicherheitsgläsern (ESG). Die beiden Gläser auf der mittleren und inneren Position haben einen Durchmesser von nur 1817 mm, sodass ein Aufbau mit Stufe entsteht, der auf der Aussenseite eine sehr elegante Fensterposition, bündig zu den Betonwellen der Fassade, ermöglicht. Der Überstand der äusseren Scheibe erhält einen tiefschwarzen Randsiebdruck, der den Glasverbund optisch verdeckt.  

Auf der Südseite empfangen imposante Treppenaufgänge und eine vorgelagerte, öffentliche Terrasse die Zuschauer.Bild: Caruso St John Architects
Auf der Südseite empfangen imposante Treppenaufgänge und eine vorgelagerte, öffentliche Terrasse die Zuschauer.
Bild: Caruso St John Architects

Die Verglasung erfüllt durch genau aufeinander abgestimmte Glasqualitäten aus dem Sortiment von Saint-Gobain Glass die hohen bauphysikalischen Anforderungen. Bei dem als äussere Scheibe des VSG eingesetzten Planidur handelt es sich um normgerechtes, thermisch teilvorgespanntes Glas, das für eine erhöhte Beständigkeit gegenüber mechanischen und thermischen Beanspruchungen bei floatähnlichem Bruchverhalten sorgt.
Planiclear auf den inneren Positionen ist ein besonders lichtdurchlässiges Floatglas mit hoher Farbneutralität. Im Zusammenwirken mit zwei Wärmeschutzbeschichtungen erreicht der Aufbau in der Nordfassade einen Ug-Wert von 0,628 W/m²K und dabei gleichzeitig eine hohe Lichttransmission von 70,2 %.
Für die Südfassade wurde der Aufbau unter dem Aspekt des Hitzeschutzes modifiziert und das hochselektive Sonnenschutzglas Cool-Lite xtreme 60/28 in den Aufbau integriert. Die Südfenster erreichen ebenfalls einen ausgezeichneten Wärmeschutz, zeichnen sich aber vor allem durch einen niedrigen Gesamtenergiedurchlass von 0,2423 aus, wodurch eine Überhitzung der Innenräume auch bei starker Sonneneinstrahlung vermieden wird.
  

 

«Die Montagelösung entwickelte die Surber Metallbau AG in Dietikon, welche die Isoliergläser zunächst in der Werkstatt mit einem Aluminiumadapterprofil zu einem Structural-Glazing-Element verklebte.»

 

Die filigrane Ortbetonstruktur der Nord- und Südseite erzeugt den Eindruck eines textilen Faltenwurfs, der sich wie ein zurückgeschobener Vorhang um die kreisförmigen Fenster legt. Bild: Surber Metallbau AG
Die filigrane Ortbetonstruktur der Nord- und Südseite erzeugt den Eindruck eines textilen Faltenwurfs, der sich wie ein zurückgeschobener Vorhang um die kreisförmigen Fenster legt. Bild: Surber Metallbau AG

Caleoglas: Glasverarbeitung komplett aus einer Hand

«Für die Produktion der runden und wegen der Absturzsicherung komplett aus vorgespanntem bzw. teilvorgespanntem Glas bestehenden Isoliergläser haben wir einen Partner gesucht, der einerseits über die notwendige Erfahrung beim Vorspannen verfügt und andererseits möglichst die ganze Prozesskette an einem Standort verwirklichen konnte», erklärt Martin Horvath von Verroplan, der für die Fachplanung der Rundfenster zuständig war. Seine Wahl fiel auf das Unternehmen Caleoglas in Potsdam, das alle Arbeiten vom Zuschnitt des beschichteten Rohglases über die Kantenbearbeitung und den Siebdruck bis zum Vorspannen, Laminieren und Verkleben übernahm.   

Die Rundfenster sind für einen perfekten optischen Eindruck bündig zum «Wellenberg» der Betonstruktur montiert. In Relation zum «Wellental» ergibt sich dadurch eine auskragende Verglasung. Der schwarze Siebdruck im Randbereich verdeckt den Glasverbund.Bild: Surber Metallbau AG
Die Rundfenster sind für einen perfekten optischen Eindruck bündig zum «Wellenberg» der Betonstruktur montiert. In Relation zum «Wellental» ergibt sich dadurch eine auskragende Verglasung. Der schwarze Siebdruck im Randbereich verdeckt den Glasverbund.
Bild: Surber Metallbau AG

Die Montagelösung entwickelte die Surber Metallbau AG in Dietikon, welche die Isoliergläser zunächst in der Werkstatt mit einem Aluminiumadapterprofil zu einem Structural-Glazing-Element verklebte. Auf der Baustelle werden aktuell die so vorbereiteten Rundfenster von aussen in die Betonfassade eingesetzt und mithilfe eines weiteren Aufnahmeadapters am Beton der Fassade verschraubt. Dies geschieht fortlaufend mit dem Fortschritt beim Bau der Betonfassade und wird voraussichtlich im Herbst 2021 abgeschlossen sein. Nach einem weiteren Jahr für den Innenausbau steht dem heiss ersehnten ersten Bully der ZSC Lions im August 2022 dann nichts mehr im Weg. 

Vor der Montage wurden die Isoliergläser in der Werkstatt mit dem Aluminiumadapterprofil zu einem Structural-Glazing-Element verklebt.Bild: Surber Metallbau AG
Vor der Montage wurden die Isoliergläser in der Werkstatt mit dem Aluminiumadapterprofil zu einem Structural-Glazing-Element verklebt.
Bild: Surber Metallbau AG

 

Vertikalschnitt Glaskanten:1  Verlauf thermisch getrennter Metallzarge 2  VSG 6.6.4 aus TVG mit schwarzem Rand-Siebdruck 126 mm3  ESG 6 mm 4  ESG 8 mm 5  Beton
Vertikalschnitt Glaskanten:
1  Verlauf thermisch getrennter Metallzarge
2  VSG 6.6.4 aus TVG mit schwarzem Rand-Siebdruck 126 mm
3  ESG 6 mm
4  ESG 8 mm
5  Beton

 

 

Die Zuschauer sitzen unmittelbar am Spielfeldrand, sodass die Swiss Life Arena bei Eishockeyspielen zu einem beeindruckenden Hexenkessel wird.Bild: Caruso St John Architects
Die Zuschauer sitzen unmittelbar am Spielfeldrand, sodass die Swiss Life Arena bei Eishockeyspielen zu einem beeindruckenden Hexenkessel wird.
Bild: Caruso St John Architects

Technische Daten 

Die Glasaufbauten im Detail
Rundfenster aus Dreifach-Isolierglas mit Stufe und Randsiebdruck, 2 Wärmeschutzbeschichtungen jeweils auf den Positionen 4 und 7, Durchmesser äusseres VSG 2025 mm, Durchmesser mittleres und inneres ESG 1817 mm, Verglasungsdicke 55,5 mm, Rw = 42 dB

Glasaufbau Nordseite:
• VSG 6.6.4 aus Planidur 6 mm (mit Siebdruck) und Planiclear XN II 6 mm
• Planiclear 6 mm (ESG + Heat Soak)
• Planiclear XN II 8 mm (ESG + Heat Soak)
Ug = 0,596 W/m²K
Gesamtenergiedurchlass (g-Wert) 0,4695
Lichttransmission 70,2 %

Glasaufbau Südseite
• VSG 6.6.4 aus SGG Planidur 6 mm (mit Siebdruck) und Cool-Lite xtreme 60/28 II 6 mm
• Planiclear 6 mm (ESG + Heat Soak)
• Planiclear XN II 8mm (ESG + Heat Soak)
Ug = 0,575 W/m²K
Gesamtenergiedurchlass (g-Wert) 0,2456
Lichttransmission 52,7 %

Bautafel 

Objekt:

Neubau Swiss Life Arena, Zürich

Bauherr:

ZSC Lions Arena Immobilien AG, Zürich

Architekten:

Caruso St John Architects, London und Zürich

Fachplanung Rundfenster:

Verroplan Ingenieur- und Beratungsbüro für Glasanwendungen, Kürnbach

Glasverarbeitung:

Caleoglas Ost GmbH, Niederlassung Potsdam

Fassadenbau / Fenster:

Surber Metallbau AG, Dietikon
(Entwicklung der finalen Konstruktion, Ausführungsplanung, Herstellung und SSG-Verklebung der Adapterrahmen, Montage)

Fertigstellung:

Voraussichtlich August 2022

Das Fachregelwerk Metallbauerhandwerk – Konstruktionstechnik enthält im Kap. 2.1 wichtige Informationen zum Thema «Fenster».